Yol / E-yol

D-TİPİ İÇİ AKS Arka Göbek Motoru

E-MTB'ler ve e-yol/Graval bisikletleri için tasarlanan D-TYPE THRU AKS Arka Göbek Motoru, 148 mm'lik aksla yalnızca 2,4 kg (kaset dahil) ağırlığındadır. Hafif tasarımı ve aks içi yapısı, yüksek hızlı sürüş sırasında yüksek güç ve denge sağlar. 48V 250W nominal güce ve 50Nm'nin üzerinde durma torkuna sahip olan bu cihaz, çeşitli araziler için yumuşak hızlanma ve duyarlı performans sağlayan bir tork sensörü kasetiyle uyumludur.

Anahtar Parametre
Motorun yapısı: Nominal Gerilim (V): Nominal Güç(W):
Öncü Göbek Motoru 36-48 220-250
Tepe Torku (N.m.): Ağırlık(KG): ESKİ (mm):
>50NM 2.4(Kasetli) 141
detay bilgisi
  • D-TİPİ İÇİ AKS Arka Göbek Motoru
  • D-TİPİ İÇİ AKS Arka Göbek Motoru
Ningbo Yinzhou HENTACH Electromechanical Co., Ltd. Product Parameters Ningbo Yinzhou HENTACH Electromechanical Co., Ltd. Drawing Ningbo Yinzhou HENTACH Electromechanical Co., Ltd. Contact Us

Temel Veriler

Nominal güç 220-250
Nominal gerilim 36-48
Tekerlek çapı 20-28
Hız aralığı 25-32
Maksimum tork >50NM
Dişli Oranı 6.3
Ağırlık (KG) 2.4(Kasetli)

Kurulum Parametreleri

Fren disk fren
Tork sensörü kaseti Evet
Kablolama Güzergahı Aks Tarafı Sol
Delik konuştu 2-18-Ф3.2
Su geçirmezlik derecesi IP54(IP65'e kadar)
Volan/Dişli çark Kaset 7-12hız/Kaset 7-12hız
Sertifikalar TÜV/EN15194/RoHS

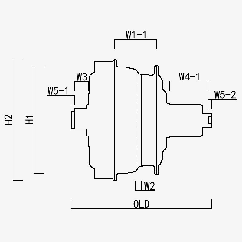
H1/OD: 112
H2/Motor Dış Çapı: 128
W1(-1/-2): 44
W2: 6
W3: 15.25
W4(-1/-2): 42.5
W5(-1/-2): 3.5
ESKİ: 141
Aks Uzunluğu: 148
Ningbo Yinzhou HENTACH Electromechanical Co., Ltd.
bizimle iletişime geçin
  • Gönder ve gönder
Ningbo Yinzhou HENTACH Electromechanical Co., Ltd.
BİZİ AYIRAN NEDİR
  • Patentli plastik çelik dişli: Naylon dişlinin 5 katı tork; ömrü 40.000 km'den fazla; satış sonrası hizmetin daha düşük olması

  • Dıştan rotorlu motor: İçten rotora göre daha kararlı yapı ve daha düşük arıza oranı

  • Standart 10 mm namlu şaft yapısı, daha hafif ve daha küçük, 142 mm dişli açıklığıyla >50NM tork elde edebilir, piyasadaki en büyük torka sahip 250w namlu şaft motoru

BİZ KİMİZ Birden fazla 20 yıl üretim tecrübesine sahip.

Ningbo Yinzhou HENTACH Electromechanical Co., Ltd. (Eski adıyla Hengtai Motor) 1995 yılında kurulan ve daha önce "Hengtai Motor" (firmamızın Çince adı) olarak bilinen, 2020 yılında resmi olarak İngilizce "HENTACH Motor" adını benimsedik. Her iki isim de 30 yılı aşkın bir süredir kendini elektromekanik yeniliğe adamış aynı güvenilir üreticiyi temsil ediyor. Minyatür DC motorların, elektrik/motosiklet göbek motorlarının ve elektrikli araçlara yönelik alüminyum-magnezyum alaşımlarının dökümü ve hassas işlenmesinde uzmanlaşarak, güvenilir çözümler sunmak için sıkı bir ISO 9001 kalite kontrol sistemi, olgun yönetim uygulamaları ve son teknoloji üretim/test ekipmanlarını birleştiriyoruz.

Hammadde dökümünden nihai ürün teslimatına kadar uzanan uçtan uca yeteneklerimizle, elektrikli bisikletler, kargo araçları, otomatik yönlendirmeli araçlar (AGV'ler), golf arabaları, tarım makineleri ve elektrikli karting gibi çeşitli pazarlara hizmet veriyoruz. 9.000 m²'den fazla alana sahip (5.000 m² kapalı alan) tesisimizde, 500 tonluk kalıp döküm makineleri, hassas CNC tezgahları, lazer markalama sistemleri, mikro ark oksidasyon hatları ve iki adet özel elektrikli araç motor test tezgahı da dahil olmak üzere 60'tan fazla gelişmiş üretim ekipmanı bulunmaktadır. Bu altyapı, verimli üretimi ve uluslararası kalite standartlarına sıkı sıkıya uyumu garanti etmektedir.

HENTACH'ta (Hengtai) yüksek kaliteli malzemelere ve tescilli teknolojiye öncelik veriyoruz; patentli naylon çelik dişlimiz mühendislik mükemmelliğimizin bir kanıtıdır. Dayanıklılığı doğrulamak amacıyla, 30.000 mili aşan motorlar için bir kilometre garantisi programı başlattık. Sonuç? 50'den fazla motor bu kriteri karşılamakla kalmadı, bazılarının etkileyici bir şekilde 50.000 mil hıza ulaşmasıyla onu da aştı. Bu gerçek dünya performansı, güvenilirliğe olan sarsılmaz odağımızı yansıtıyor ve bizi daha akıllı, daha güçlü motor çözümleri için sürekli yenilik yapmaya motive ediyor.​
Patentli çelik dişli yeniliğinin kanıtlanmış dayanıklılıkla buluştuğu, dünya çapında hem Hengtai Motor hem de HENTACH Motor olarak bilinen markaya güvenin.

Sertifikalı Sertifikalar