E-şehir

C Tipi R350 Arka Göbek Motoru

Şehir e-bisikletleri için tasarlanan C-Tipi R350 Arka Göbek Motoru, 250-400W nominal güç aralığı sunar ve Freewheel'de tek veya 7 vitesli dişliyi destekler. 36V veya 48V sistemlerle uyumlu olup IP65'e kadar su geçirmezlik derecesiyle istikrarlı performans sağlar. Motor, 45 Nm torka sahiptir ve dayanıklı HT patentli plastik çelik dişlilerle donatılmıştır; kentsel ortamlarda ve e-fren uygulamalarında sık durma ve kalkışlar için idealdir.

Anahtar Parametre
Motorun yapısı: Nominal Gerilim (V): Nominal Güç(W):
Arkadan Tahrikli Göbek Motoru 36-48 250-400
Tepe Torku (N.m.): Ağırlık(KG): ESKİ (mm):
45 3 137
detay bilgisi
  • C Tipi R350 Arka Göbek Motoru
  • C Tipi R350 Arka Göbek Motoru
Ningbo Yinzhou HENTACH Electromechanical Co., Ltd. Product Parameters Ningbo Yinzhou HENTACH Electromechanical Co., Ltd. Drawing Ningbo Yinzhou HENTACH Electromechanical Co., Ltd. Contact Us

Temel Veriler

Hayırminal güç 250-400
Nominal gerilim 36-48
Tekerlek çapı 20-28
Hız aralığı 25-38
Maksimum tork 45
Dişli Oranı 4.43
Ağırlık (KG) 3

Kurulum Parametreleri

Fren Disk fren
Tork sensörü kaseti No
Kablolama Güzergahı Aks Orta Sağ
Delik konuştu 2-18-Ф3.2
Su geçirmezlik derecesi IP54(IP65'e kadar)
Volan/Dişli çark Döner 7 vitesli
Sertifikalar TUV/EN15194/RoHS/UL1004-1

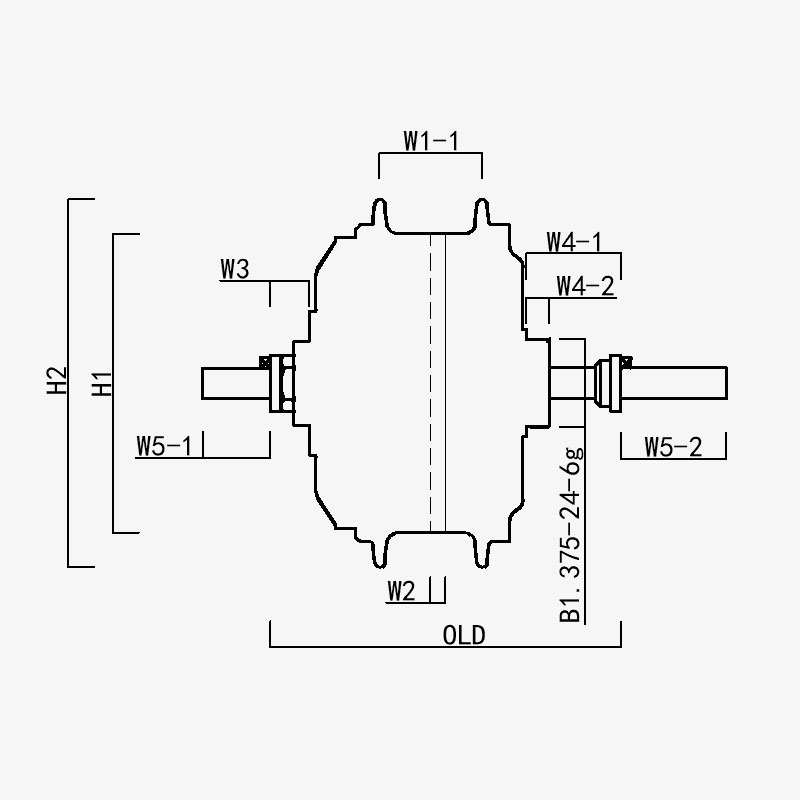
H1/OD: 117
H2/Motor Dış Çapı: 144
W1(-1/-2): 40
W2: 5.9
W3: 15.2
W4(-1/-2): 37/9
W5(-1/-2): 26,5/41,5
ESKİ: 137
Aks Uzunluğu: 205
Ningbo Yinzhou HENTACH Electromechanical Co., Ltd.
bizimle iletişime geçin
  • Gönder ve gönder
Ningbo Yinzhou HENTACH Electromechanical Co., Ltd.
BİZİ AYIRAN NEDİR
  • Ağırlık sadece 3 kg'dır ve durma torku 45 NM'ye ulaşabilir.

  • Patentli plastik çelik dişli: Naylon dişlinin 5 katı tork; ömrü 40.000 kilometreden fazladır; daha düşük satış sonrası

  • c-city için tasarlanmış, 137 mm dişli açıklığına sahip 7 vitesli döner volanla donatılmıştır

BİZ KİMİZ Birden fazla 20 yıl üretim tecrübesine sahip.

Ningbo Yinzhou HENTACH Electromechanical Co., Ltd. (Eski adıyla Hengtai Motor) 1995 yılında kurulan ve daha önce "Hengtai Motor" (firmamızın Çince adı) olarak bilinen, 2020 yılında resmi olarak İngilizce "HENTACH Motor" adını benimsedik. Her iki isim de 30 yılı aşkın bir süredir kendini elektromekanik yeniliğe adamış aynı güvenilir üreticiyi temsil ediyor. Minyatür DC motorların, elektrik/motosiklet göbek motorlarının ve elektrikli araçlara yönelik alüminyum-magnezyum alaşımlarının dökümü ve hassas işlenmesinde uzmanlaşarak, güvenilir çözümler sunmak için sıkı bir ISO 9001 kalite kontrol sistemi, olgun yönetim uygulamaları ve son teknoloji üretim/test ekipmanlarını birleştiriyoruz.

Hammadde dökümünden nihai ürün teslimatına kadar uzanan uçtan uca yeteneklerimizle, elektrikli bisikletler, kargo araçları, otomatik yönlendirmeli araçlar (AGV'ler), golf arabaları, tarım makineleri ve elektrikli karting gibi çeşitli pazarlara hizmet veriyoruz. 9.000 m²'den fazla alana sahip (5.000 m² kapalı alan) tesisimizde, 500 tonluk kalıp döküm makineleri, hassas CNC tezgahları, lazer markalama sistemleri, mikro ark oksidasyon hatları ve iki adet özel elektrikli araç motor test tezgahı da dahil olmak üzere 60'tan fazla gelişmiş üretim ekipmanı bulunmaktadır. Bu altyapı, verimli üretimi ve uluslararası kalite standartlarına sıkı sıkıya uyumu garanti etmektedir.

HENTACH'ta (Hengtai) yüksek kaliteli malzemelere ve tescilli teknolojiye öncelik veriyoruz; patentli naylon çelik dişlimiz mühendislik mükemmelliğimizin bir kanıtıdır. Dayanıklılığı doğrulamak amacıyla, 30.000 mili aşan motorlar için bir kilometre garantisi programı başlattık. Sonuç? 50'den fazla motor bu kriteri karşılamakla kalmadı, bazılarının etkileyici bir şekilde 50.000 mil hıza ulaşmasıyla onu da aştı. Bu gerçek dünya performansı, güvenilirliğe olan sarsılmaz odağımızı yansıtıyor ve bizi daha akıllı, daha güçlü motor çözümleri için sürekli yenilik yapmaya motive ediyor.​
Patentli çelik dişli yeniliğinin kanıtlanmış dayanıklılıkla buluştuğu, dünya çapında hem Hengtai Motor hem de HENTACH Motor olarak bilinen markaya güvenin.

Sertifikalı Sertifikalar