e-yağ/e-kargo

S-Tipi Pro RC Arka Göbek Motoru

S-Type Pro RC arka göbek motoru, E-Cargo ve E-Fat bisikletleri için tasarlanmıştır ve 750W ile 1500W arası nominal güç sunar. 8-10 hızlı kaset, 190 mm düşme ve 145 Nm'nin üzerinde tepe durma torkuna sahiptir. Bu motor, düşük hız koşullarında güçlü çekiş gücü sağlayarak dik yokuşlarda, yumuşak kumda veya kaygan arazide dengeli tırmanma kabiliyeti sağlar. HT'nin patentli metal naylon dişlileriyle donatılan bu dişli, geleneksel naylon dişlilerden beş kat daha güçlüdür, 40.000 km'den fazla dayanır ve bakım maliyetlerini önemli ölçüde azaltır. 1000W'ın üzerindeki e-bisiklet göbek motoru uygulamalarında, yalnızca HT'nin plastik-çelik dişlileri 100Nm'nin üzerindeki sürekli torklara dayanabilir.

Anahtar Parametre
Motorun yapısı: Nominal Gerilim (V): Nominal Güç(W):
/ 36-60 600-1500
Tepe Torku (N.m.): Ağırlık(KG): ESKİ (mm):
145 6 190
detay bilgisi
  • S-Tipi Pro RC Arka Göbek Motoru
  • S-Tipi Pro RC Arka Göbek Motoru
Ningbo Yinzhou HENTACH Electromechanical Co., Ltd. Product Parameters Ningbo Yinzhou HENTACH Electromechanical Co., Ltd. Drawing Ningbo Yinzhou HENTACH Electromechanical Co., Ltd. Contact Us

Temel Veriler

Hayırminal güç 600-1500
Nominal gerilim 36-60
Tekerlek çapı 20-26
Hız aralığı 35-65
Maksimum tork 145
Dişli Oranı 5
Ağırlık (KG) 6

Kurulum Parametreleri

Fren Disk fren
Tork sensörü kaseti No
Kablolama Güzergahı Aks Tarafı Sol
Delik konuştu 2-18-Ф3.2
Su geçirmezlik derecesi IP54(IP65'e kadar)
Volan/Dişli çark Kafei 7-10 hız
Sertifikalar TÜV/EN15194/RoHS

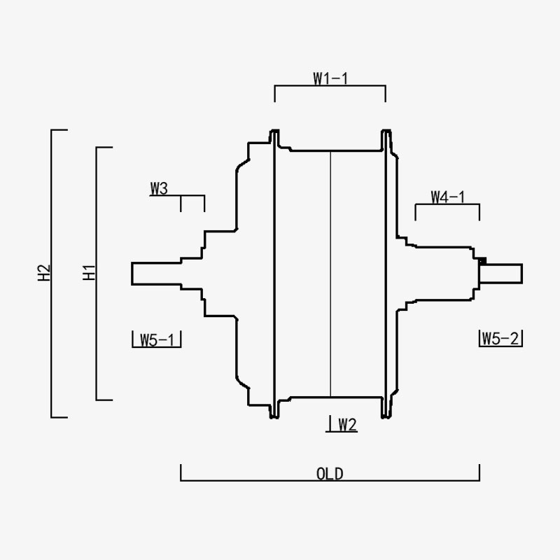
H1/OD: 162
H2/Motor Dış Çapı: 183
W1(-1/-2): 70.8
W2: 0
W3: 15.2
W4(-1/-2): 40.5
W5(-1/-2): 31/27
ESKİ: 190
Aks Uzunluğu: 248
Ningbo Yinzhou HENTACH Electromechanical Co., Ltd.
bizimle iletişime geçin
  • Gönder ve gönder
Ningbo Yinzhou HENTACH Electromechanical Co., Ltd.
BİZİ AYIRAN NEDİR
  • 190 mm açık dişlilere ve 1500 W'a kadar nominal güce sahip güçlü arkadan çekişli göbek motoru.

  • Patentli plastik dişliler icat edildi: Naylon dişlilerin torkunun 5 katı; ömrü 40.000 km'den fazla; daha düşük satış sonrası

  • Efat/Kargo için tasarlanmış, 145 NM veya daha fazlasına kadar durma torku.

BİZ KİMİZ Birden fazla 20 yıl üretim tecrübesine sahip.

Ningbo Yinzhou HENTACH Electromechanical Co., Ltd. (Eski adıyla Hengtai Motor) 1995 yılında kurulan ve daha önce "Hengtai Motor" (firmamızın Çince adı) olarak bilinen, 2020 yılında resmi olarak İngilizce "HENTACH Motor" adını benimsedik. Her iki isim de 30 yılı aşkın bir süredir kendini elektromekanik yeniliğe adamış aynı güvenilir üreticiyi temsil ediyor. Minyatür DC motorların, elektrik/motosiklet göbek motorlarının ve elektrikli araçlara yönelik alüminyum-magnezyum alaşımlarının dökümü ve hassas işlenmesinde uzmanlaşarak, güvenilir çözümler sunmak için sıkı bir ISO 9001 kalite kontrol sistemi, olgun yönetim uygulamaları ve son teknoloji üretim/test ekipmanlarını birleştiriyoruz.

Hammadde dökümünden nihai ürün teslimatına kadar uzanan uçtan uca yeteneklerimizle, elektrikli bisikletler, kargo araçları, otomatik yönlendirmeli araçlar (AGV'ler), golf arabaları, tarım makineleri ve elektrikli karting gibi çeşitli pazarlara hizmet veriyoruz. 9.000 m²'den fazla alana sahip (5.000 m² kapalı alan) tesisimizde, 500 tonluk kalıp döküm makineleri, hassas CNC tezgahları, lazer markalama sistemleri, mikro ark oksidasyon hatları ve iki adet özel elektrikli araç motor test tezgahı da dahil olmak üzere 60'tan fazla gelişmiş üretim ekipmanı bulunmaktadır. Bu altyapı, verimli üretimi ve uluslararası kalite standartlarına sıkı sıkıya uyumu garanti etmektedir.

HENTACH'ta (Hengtai) yüksek kaliteli malzemelere ve tescilli teknolojiye öncelik veriyoruz; patentli naylon çelik dişlimiz mühendislik mükemmelliğimizin bir kanıtıdır. Dayanıklılığı doğrulamak amacıyla, 30.000 mili aşan motorlar için bir kilometre garantisi programı başlattık. Sonuç? 50'den fazla motor bu kriteri karşılamakla kalmadı, bazılarının etkileyici bir şekilde 50.000 mil hıza ulaşmasıyla onu da aştı. Bu gerçek dünya performansı, güvenilirliğe olan sarsılmaz odağımızı yansıtıyor ve bizi daha akıllı, daha güçlü motor çözümleri için sürekli yenilik yapmaya motive ediyor.​
Patentli çelik dişli yeniliğinin kanıtlanmış dayanıklılıkla buluştuğu, dünya çapında hem Hengtai Motor hem de HENTACH Motor olarak bilinen markaya güvenin.

Sertifikalı Sertifikalar