E-yol / E-şehir

HT MINI Serbest Tekerlekli Arka Göbek Motoru

HT MINI Thread on Freewheel göbek motoru, e-şehir ve yol bisikletleri için tasarlanmıştır ve bu da onu piyasadaki en küçük harici rotorlu göbek motorlarından biri yapar. 36V - 48V akü sistemleriyle uyumludur, yalnızca 1,95 kg ağırlığındadır ve 30 Nm'nin üzerinde torkla 220 W nominal güç sunar. Motor 40Nm durma torkuyla 250W'a kadar çıkabilmektedir. Harici rotor tasarımı, kümülatif hataları azaltarak gücü, kararlılığı ve dayanıklılığı artırır.

Anahtar Parametre
Motorun yapısı: Nominal Gerilim (V): Nominal Güç(W):
Öncü Göbek Motoru 36-48 180-250
Tepe Torku (N.m.): Ağırlık(KG): ESKİ (mm):
40 1,95(220w) 135
detay bilgisi
  • HT MINI Serbest Tekerlekli Arka Göbek Motoru
  • HT MINI Serbest Tekerlekli Arka Göbek Motoru
Ningbo Yinzhou HENTACH Electromechanical Co., Ltd. Product Parameters Ningbo Yinzhou HENTACH Electromechanical Co., Ltd. Drawing Ningbo Yinzhou HENTACH Electromechanical Co., Ltd. Contact Us

Temel Veriler

Hayırminal güç 180-250
Nominal gerilim 36-48
Tekerlek çapı 20-28
Hız aralığı 25-38
Maksimum tork 40
Dişli Oranı 5
Ağırlık (KG) 1,95(220w)

Kurulum Parametreleri

Fren Disk fren
Tork sensörü kaseti No
Kablolama Güzergahı Aks Orta Sağ
Delik konuştu 2-18-Ф3.2
Su geçirmezlik derecesi IP54(IP65'e kadar)
Volan/Dişli çark Döner 7 vitesli
Sertifikalar TÜV/EN15194/RoHS

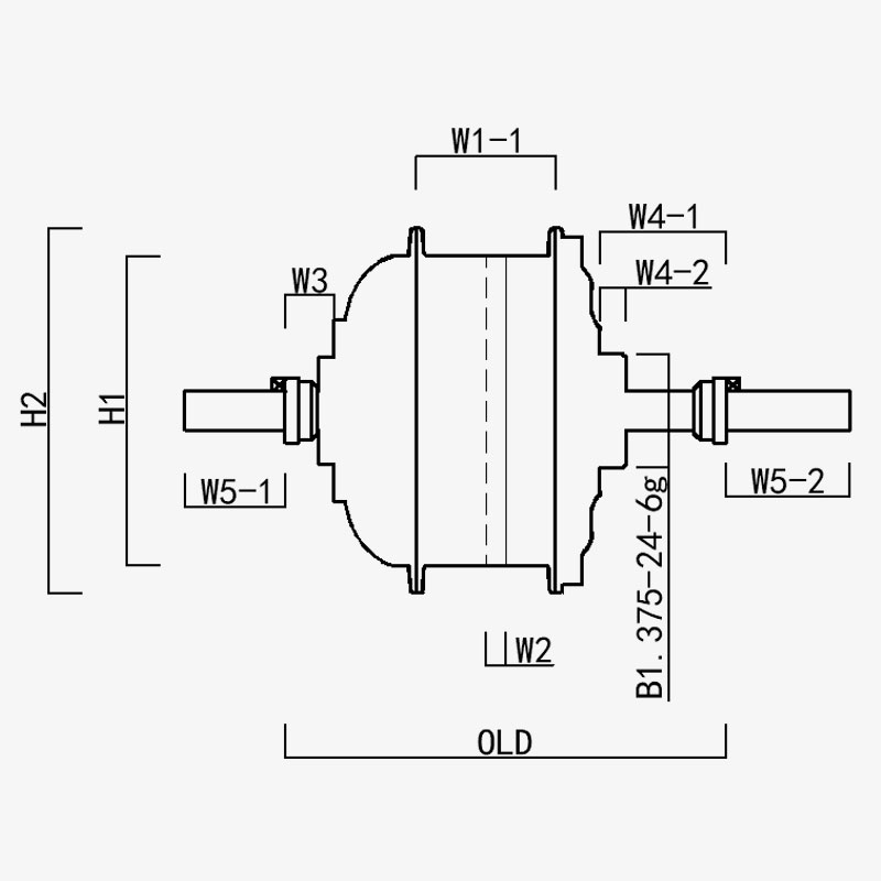
H1/OD: 95.5
H2/Motor Dış Çapı: 112.5
W1(-1/-2): 43
W2: 6
W3: 15
W4(-1/-2): 39/9
W5(-1/-2): 31/39
ESKİ: 135
Aks Uzunluğu: 205
Ningbo Yinzhou HENTACH Electromechanical Co., Ltd.
bizimle iletişime geçin
  • Gönder ve gönder
Ningbo Yinzhou HENTACH Electromechanical Co., Ltd.
BİZİ AYIRAN NEDİR
  • Motorun dış çapı 95 mm, 7 vitesli döner volanı, yalnızca 1,95 kg ağırlığı, ultra hafif dış rotor motoru, 250 W nominal gücü ve 40 NM'ye kadar durma torku vardır. Bir e-bisiklet ortağı.

  • Patentli plastik çelik dişli: Naylon dişlilerin torkunun 5 katı; ömrü 40.000 kilometreden fazla; daha düşük satış sonrası

  • Dış rotor motoru: iç rotora göre daha kararlı yapı, daha düşük arıza oranı

BİZ KİMİZ Birden fazla 20 yıl üretim tecrübesine sahip.

Ningbo Yinzhou HENTACH Electromechanical Co., Ltd. (Eski adıyla Hengtai Motor) 1995 yılında kurulan ve daha önce "Hengtai Motor" (firmamızın Çince adı) olarak bilinen, 2020 yılında resmi olarak İngilizce "HENTACH Motor" adını benimsedik. Her iki isim de 30 yılı aşkın bir süredir kendini elektromekanik yeniliğe adamış aynı güvenilir üreticiyi temsil ediyor. Minyatür DC motorların, elektrik/motosiklet göbek motorlarının ve elektrikli araçlara yönelik alüminyum-magnezyum alaşımlarının dökümü ve hassas işlenmesinde uzmanlaşarak, güvenilir çözümler sunmak için sıkı bir ISO 9001 kalite kontrol sistemi, olgun yönetim uygulamaları ve son teknoloji üretim/test ekipmanlarını birleştiriyoruz.

Hammadde dökümünden nihai ürün teslimatına kadar uzanan uçtan uca yeteneklerimizle, elektrikli bisikletler, kargo araçları, otomatik yönlendirmeli araçlar (AGV'ler), golf arabaları, tarım makineleri ve elektrikli karting gibi çeşitli pazarlara hizmet veriyoruz. 9.000 m²'den fazla alana sahip (5.000 m² kapalı alan) tesisimizde, 500 tonluk kalıp döküm makineleri, hassas CNC tezgahları, lazer markalama sistemleri, mikro ark oksidasyon hatları ve iki adet özel elektrikli araç motor test tezgahı da dahil olmak üzere 60'tan fazla gelişmiş üretim ekipmanı bulunmaktadır. Bu altyapı, verimli üretimi ve uluslararası kalite standartlarına sıkı sıkıya uyumu garanti etmektedir.

HENTACH'ta (Hengtai) yüksek kaliteli malzemelere ve tescilli teknolojiye öncelik veriyoruz; patentli naylon çelik dişlimiz mühendislik mükemmelliğimizin bir kanıtıdır. Dayanıklılığı doğrulamak amacıyla, 30.000 mili aşan motorlar için bir kilometre garantisi programı başlattık. Sonuç? 50'den fazla motor bu kriteri karşılamakla kalmadı, bazılarının etkileyici bir şekilde 50.000 mil hıza ulaşmasıyla onu da aştı. Bu gerçek dünya performansı, güvenilirliğe olan sarsılmaz odağımızı yansıtıyor ve bizi daha akıllı, daha güçlü motor çözümleri için sürekli yenilik yapmaya motive ediyor.​
Patentli çelik dişli yeniliğinin kanıtlanmış dayanıklılıkla buluştuğu, dünya çapında hem Hengtai Motor hem de HENTACH Motor olarak bilinen markaya güvenin.

Sertifikalı Sertifikalar